Wszystkie produkty
-
Manometr różnicowy
-
cyfrowy manometr
-
Manometr ze stali nierdzewnej
-
Precyzyjny przetwornik ciśnienia
-
Programowalny sterownik logiczny
-
Pływakowy przełącznik poziomu
-
Pneumatyczny pozycjoner zaworu
-
Czujnik przetwornika temperatury
-
Komunikator polowy Hart
-
Zawór elektromagnetyczny
-
Zawory regulacyjne
-
Przepływomierz o wysokiej dokładności
-
zatapialna pompa wodna
-
Kolektor przetwornika ciśnienia
-
Ultradźwiękowy miernik poziomu
-
Miernik mocy napięcia prądu
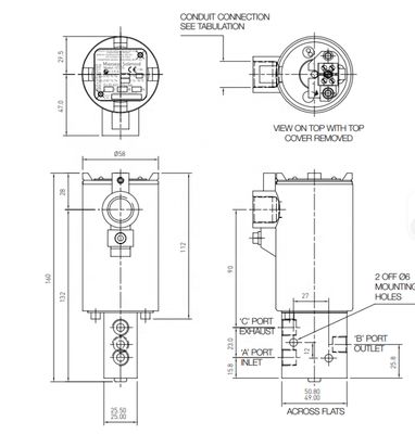
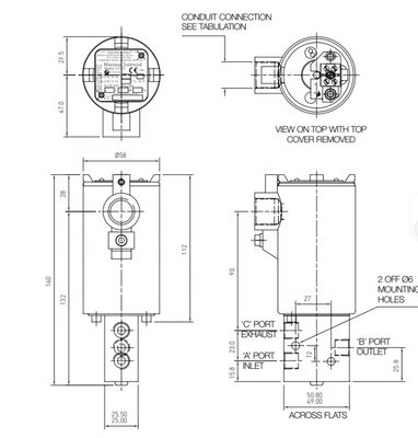
Gorąca sprzedaż oryginalny NORGREN Y013AA1H1BS072 NPT zawór z przeniesieniem w magazynie po niskiej cenie
Szczegóły Produktu
| Warrany | 1 rok | Pojedyncza waga brutto | 5.000 kg |
|---|---|---|---|
| Ciśnienie robocze | 0 ... 174 psi | Tworzywo | Stal nierdzewna |
| Podkreślić | NORGREN Y013AA1H1BS072 Zawór NPT,Zawór sterujący NPT,Zawór sterujący NORGREN z gwarancją |
||
opis produktu
Kluczowe atrybuty
Opakowanie i dostawa
Polecane produkty


